Create Your First Project
Start adding your projects to your portfolio. Click on "Manage Projects" to get started
Viswa IR Gen
Product Name
Viswa IR Gen - For Ballooning and PPAP Report generation
Viswa Smart Inspector - For Smart capturing of Inspected Dimensions
Contact us for Demo
+91 89258 11401
+91 89258 11402
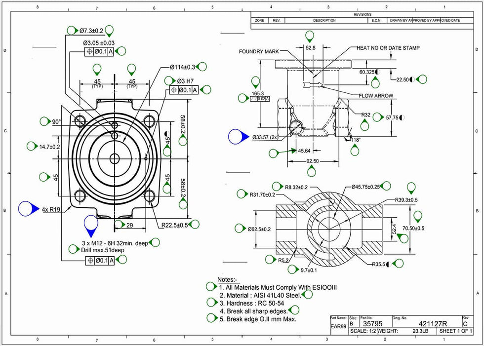
Viswa IR Gen (Inspection Report Generator) is a powerful quality documentation solution designed to automate the creation of inspection reports directly from engineering drawings. It helps manufacturers and quality teams quickly generate ballooned drawings, inspection reports, and measurement documentation with greater accuracy and efficiency.
The software significantly reduces manual work involved in preparing FAI, PPAP, and quality inspection reports, ensuring better traceability and standardized reporting across manufacturing processes.
With Viswa IR Gen, organizations can streamline their quality documentation workflow, minimize human errors, and improve productivity in the inspection and quality assurance process.











